Bonsoir a tous;
J'ai trouvé un schema pour relier 2 PC en IR en utilisant le port Ethernet
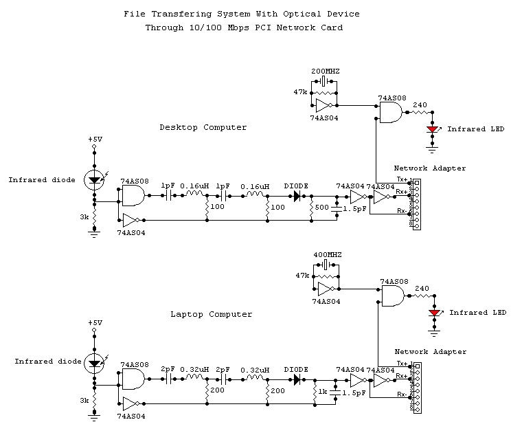
mais j'ai un doute sur la véracité de son fonctionnement etant donné qu'il faut faut 4 fils dans un cable reseau et la il y a que 3 pins utilisées et de plus la pin 3 est normalement pour transmettre (Tx) et sur le schema elle est reliée sur la sortie d'un circuit logique.
Ma question est que pensez vous de ce schema (en piece jointe) et de son fonctionnement....
MERCI D'AVANCE ET JOYEUX NOEL
"Convertisseur" ethernet -> IR
Modérateur : Modérateur
"Convertisseur" ethernet -> IR
- Pièces jointes
-
- ir_schematic.gif (46.59 Kio) Consulté 3349 fois
