Bonjour à tous,
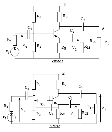
Est ce que quelqu'un aurait une idée du nom de l'amélioration qui a été apporté pour augmenter l'impédance d'entrée de la figure 1 ?
Merci d'avance,
JP
Amélioration de l'impédance d'entrée d'un ampli à transistor
Modérateur : Modérateur
-
JP
- Administrateur

- Messages : 2328
- Inscription : 23 sept. 2003 19:14
- Localisation : Strasbourg
- Contact :
Amélioration de l'impédance d'entrée d'un ampli à transistor
- Pièces jointes
-
- ampli.gif (8.83 Kio) Consulté 6367 fois