Salut à tous,
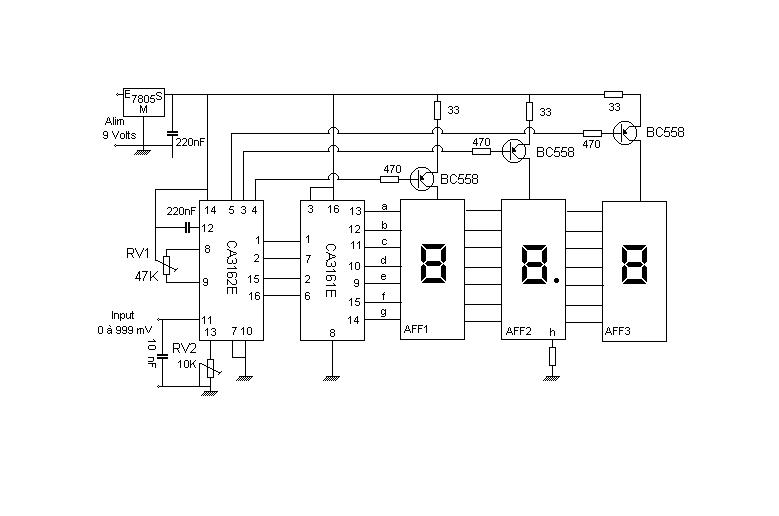
Mon voltmetre digital de mon alimentation ne fonctionne plus correctement. Cad que la tension affiche ne correspond pas a celle mesuree.
J'ai change les deux IC: CA3161E et CA3162E mais toujours les memes sympotomes.  Alors j'ai fait une maquette de la carte mais les resultats sont identiques.
J'effectue les réglages des zéros avec le potentiometre RV1 qui fonctionne correctement tandis que l'etalonage ne fonctionne pas du tout, ce reglage est effectue par RV2.
D'où peut venir le probleme et comment resoudre
Merci pour votre aide.
Voici le shema ci joint
			
							Probleme Voltmetre digital
Modérateur : Modérateur
Probleme Voltmetre digital
- Pièces jointes
 - 
			
		
				
- voltmetre.jpg (65.64 Kio) Consulté 2964 fois
 
 
